三菱S12柴油發動機調速器、執行器的拆卸、檢修 液壓調速器規格
三菱S12柴油發動機調速器、執行器的拆卸、檢修 液壓調速器規格

a.Woodward制造PSG型三菱S12柴油發動機調速器規格
b.Woodward制造EG-3P型三菱S12柴油發動機調速器規格
三菱S12柴油發動機調速器的拆卸、檢修
拆卸順序
1 三菱S12柴油發動機調速器柄2 三菱S12柴油發動機調速器
SG4017執行器規格
DYNA8000同類品執行器規格

a. 東邦制作所制造SG4017型執行器 b.Woodward制造DYNA8000型執行器的拆卸、檢修
拆卸順序
1 三菱S12柴油發動機調速器柄
2 執行器
3 座
4 板
Woodward制造PROACT型執行器

Woodward制造PROACT型執行器的拆卸、檢修
拆卸順序
1 定位螺栓
2 三菱S12柴油發動機調速器柄
3 執行器
4 座
5 板
1.6 三菱S12柴油發動機燃油噴油泵的拆卸、檢測

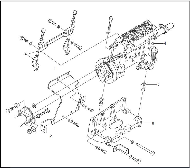
三菱S12柴油發動機燃油噴油泵的拆卸、檢測
拆卸順序
1 聯軸器罩
2 罩支架
3 支架
4 噴油泵(約 56 kg)
5 墊片( 記錄安裝位置和數量)
6 座