威爾遜信奧林匹亞勞斯萊斯柴油發電機配件
項目 零配件號碼 最近的部分號碼
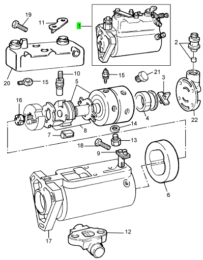
1 2643 B135 1 2643 B135 燃油泵
(1) 2643 B135R 1 2643 B135R 燃料 INJ 泵 -EXCH

項目 零配件號碼 最近的部分號碼
1 U5MK0159 1 U5MK0159 修理裝備 - 燃料的 INJ 泵

項目 零配件號碼 最近的部分號碼
1 2643 B135 1 2643 B135 燃油泵
(1) 2643 B135R 1 2643 B135R 燃料 INJ 泵 -EXCH
3 3281 M002 1 3281 M002 套筒
4 31718104 1 31718104 密封
5 31718105 1 31718105 金屬線
6 33828108 1 3687 H017 密合墊 - 燃料的 INJ 泵
7 2217575 3 2217575 圖釘
8 0576002 3 0576002 螺帽
9 0920003 3 0920003 墊圈
10 0920053 3 0920053 墊圈
11 3116 K072 1 3116 K072 燃油泵傳動機構
15 3521 E022 1 3521 E022 燃料噴射管 號碼1 CYL。
16 3521 E023 1 3521 E023 燃料噴射管 號碼2 CYL。
17 3521 E024 1 3521 E024 燃料噴射管 號碼3 CYL。
18 38631117 1 38631117 板
19 36845115 1 36845115 夾
20 36845115 1 36845115 夾
21 36511127 1 36511127 板
22 2211401 2 2211401 螺帽
23 2645 A013 3 2645 A013 噴油器
(23) 2645 A013R 3 2645 A013R 噴油器 -交換
26 0921173 3 0921173 噴油器墊圈
27 33813127 3 3311 A041 密封 -噴油器
28 33813126 3 33813126 間隔器
29 3 砂箱夾
30 2216108 6 2216108 圖釘
31 0576002 6 0576002 螺帽
32 3558 X013 1 3558 X013 管 - 漏走開
33 0095315 1 0095315 班卓琴螺拴
34 0921176 2 0921176 墊圈
35 0921176 2 0921176 墊圈
36 0201526 2 0201526 管套節
37 0921176 1 0921176 墊圈
38 0921176 1 0921176 墊圈
39 33557117 1 33557117 連接
48 3662 K002 3 3662 K002 砂箱夾
49 2318 A108 1 2318 A108 螺帽
50 K134AF01 1 K134AF01 墊圈

項目 零配件號碼 最近的部分號碼
24 2645 A301 1 2645 A301 夾持工具
25 2645 K603 1 2645 K603 噴油器噴嘴
項目 零配件號碼 最近的部分號碼
3 1 夾持工具
4 1 螺帽
5 1 墊圈
6 26431164 A 1 26431164 A 填隙用墊片
6 26431164 B 1 26431164 B 填隙用墊片
6 26431164 C 1 26431164 C 填隙用墊片
6 26431164 D 1 26431164 D 填隙用墊片
6 26431164 E 1 26431164 E 填隙用墊片
6 26431164 F 1 26431164 F 填隙用墊片
6 26431164 G 1 26431164 G 填隙用墊片
6 26431164 GR 1 26431164 GR 填隙用墊片
6 26431164 GS 1 26431164 GS 填隙用墊片
6 26431164 GT 1 26431164 GT 填隙用墊片
6 26431164 GU 1 26431164 GU 填隙用墊片
6 26431164 GV 1 26431164 GV 填隙用墊片
6 26431164 H 1 26431164 H 填隙用墊片
6 26431164 J 1 26431164 J 填隙用墊片
6 26431164 K 1 26431164 K 填隙用墊片
6 26431164 L 1 26431164 L 填隙用墊片
6 26431164 M 1 26431164 M 填隙用墊片
6 26431164 N 1 26431164 N 填隙用墊片
6 26431164 P 1 26431164 P 填隙用墊片
7 26431823 1 26431823 彈簧
8 26431824 1 26431824 位子
9 1 板
10 26431839 1 26431839 帽

項目 零配件號碼 最近的部分號碼
1 2645 A013 4 2645 A013 噴油器
(1) 2645 A013R 4 2645 A013R 噴油器 -交換

項目 零配件號碼 最近的部分號碼
2 2645 A301 1 2645 A301 夾持工具
11 2645 K603 1 2645 K603 噴油器噴嘴

項目 零配件號碼 最近的部分號碼
7 37147975 1 37147975 板
8 0350016 2 0350016 合釘
9 37813113 1 37813113 I 栓塞
10 0610045 1 0610045 銷
11 0720798 2 0720798 螺旋
12 0746454 6 0746454 固定螺釘
13 0920054 6 0920054 墊圈

項目 零配件號碼 最近的部分號碼
8 41112797 1 41112797 飛輪
11 0096803 6 0096803 螺旋
13 33117127 6 33117127 墊圈
項目 零配件號碼 最近的部分號碼
1 37172483 1 37172483 油底殼
2 32186405 1 32186405 栓塞
3 2415715 1 2415715 密封 - O 的圈
4 41424209 1 21826370 密合墊 -油底殼
5 3688 V003 1 密封 -油底殼
6 3688 V002 1 密封 -油底殼
7 0826265 2 0826265 圖釘
8 0576002 2 0576002 螺帽
9 0920053 2 0920053 墊圈
10 0826285 1 0826285 圖釘
11 0576002 1 0576002 螺帽
12 0920053 1 0920053 墊圈
13 0746211 11 0746211 螺拴
14 0920053 11 0920053 墊圈
15 0096245 2 0096245 螺拴
16 0920053 2 0920053 墊圈
17 35137623 1 35137623 油管
18 38121531 1 38121531 托架
18 38311124 1 38311124 托架
19 0746052 1 0746052 螺拴
20 0920002 1 0920002 墊圈
21 0920052 1 0920052 墊圈
22 33817308 1 33817308 襯套
23 36631118 1 36631118 夾
24 0746053 1 0746053 螺拴
25 0920002 1 0920002 墊圈
26 0920052 1 0920052 墊圈
27 33532121 1 33532121 螺帽
28 0560244 1 0560244 橄欖
29 33242412 1 33242412 管
30 3178 C068 1 3178 C068 量油計
33 38156313 1 38156313 托架
34 36113131 1 36113131 間隔器
37 0920056 2 0920056 墊圈
38 0097109 1 0097109 螺拴
39 0920058 1 0920058 墊圈
54 2183509 2 2183509 螺旋 