
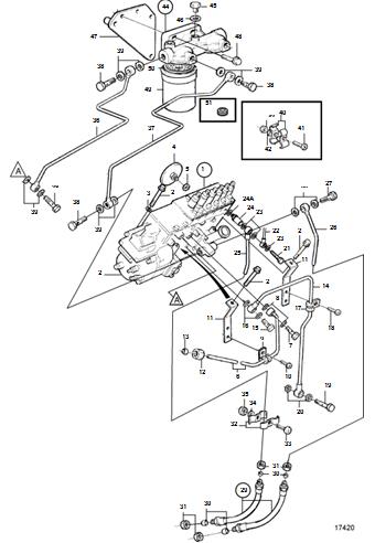
Ref Part No. Qty Description Notes
1 865566 1 Injection pump REPL BY 3828998
3828998 Injection pump, Comps. not spec.
3803751 Injection pump, exch Exchange unit 1A 1 Actuator
1B 863474 1 Feed pump
2 965189 4 Flange screw 3 190509 3 Washer
4 477173 1 Pressure equalizer
5 982723 1 Gasket (969011)
6 862997 1 Oil feed pipe
7 48634 1 Hollow screw 8 947281 2 Gasket
9 952623 1 Clamp
10 956092 1 Screw
11 1543721 2 Bracket
12 954356 1 Cap nut
13 954364 1 Fitting
14 3826169 1 Oil return pipe (1543962)
15 48634 1 Hollow screw 16 947281 2 Gasket
17 952623 1 Clamp
18 956092 1 Screw
19 25167 1 Hollow screw
20 982723 2 Gasket (969011)
21 1 Leak-off line
22 74033 1 Hollow screw 23 947620 2 Gasket
24 16496 1 Hollow screw
25 25167 1 Hollow screw
26 982723 2 Gasket (969011)
27 479775 1 Overflow valve (35096). M14
3825154 1 Overflow valve (35096). M16
27A 15304 1 Gasket
28 3825719 1 Pipe (866516)
29 849210 1 Fuel pipe 30 976929 1 Gasket
31 982723 2 Gasket (969011)
32 865737 2 Fuel hose
33 956969 4 Ferrule 34 956983 4 Nut
35 402404 2 Clamp
36 956094 1 Screw
37 955892 1 Washer
38 945407 1 Flange nut
39 865331 1 Fuel pipe
40 865330 1 Fuel pipe 41 404279 4 Clamp 42 956095 2 Screw 43 955892 2 Washer 44 955781 2 Nut
45 25167 3 Hollow screw
46 982723 8 Gasket (969011)
47 1676832 1 Filter housing REPL BY 8194541
8194541 1 Filter housing
48 1 Screw
49 1 Gasket
50 849769 1 Bracket
51 965185 2 Flange screw
1 865566 1注射泵REPL BY 3828998
3828998注射泵,組件。不符合規范。
3803751注射泵,不包括交換裝置1A 1執行機構
1B 863474 1給水泵
2 965189 4法蘭螺釘3 190509 3墊圈
4 477173 1壓力均衡器
5 982723 1墊圈(969011)
6 862997 1供油管
7 48634 1空心螺釘8 947281 2墊圈
9 952623 1個夾子
10 956092 1個螺釘
11 1543721 2支架
12 954356 1帶帽螺母
13 954364 1接頭
14 3826169 1回油管(1543962)
15 48634 1空心螺釘16 947281 2墊圈
17 952623 1個夾子
18 956092 1個螺釘
19 25167 1空心螺釘
20 982723 2墊圈(969011)
21 1泄漏管線
22 74033 1空心螺釘23 947620 2墊圈
24 16496 1空心螺釘
25 25167 1空心螺釘
26 982723 2墊圈(969011)
27 479775 1溢流閥(35096)。14米
3825154 1溢流閥(35096)。M16米
27A 15304 1墊片
28 3825719 1根管道(866516)
29 849210 1燃油管30 9766929 1墊片
31 982723 2墊圈(969011)
32 865737 2燃油軟管
33 956969 4卡套34 956983 4螺母
35 402404 2夾具
36 956094 1個螺釘
37 955892 1個墊圈
38 945407 1法蘭螺母
39 865331 1燃油管
40 865330 1燃油管41 404279 4卡箍42 956095 2螺釘43 955892 2墊圈44 955781 2螺母
45 25167 3空心螺釘
46 982723 8墊圈(969011)
47 1676832 1過濾器外殼REPL BY 8194541
8194541 1濾清器殼體
48 1個螺釘
49 1墊片
50 849769 1支架
51 965185 2法蘭螺釘