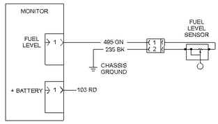
卡特彼勒365C和385C挖掘機燃油油位傳感器示意圖

|
卡特彼勒365C和385C挖掘機燃油油位傳感器示意圖 |
該診斷代碼與燃油油位傳感器有關。 FMI 04 意味著 ECM 已檢測到位置傳感器電路的電壓低于正常值。
產生此診斷代碼的可能原因如下:
傳感器信號電路對接地短路。
傳感器出故障。
ECM 出現故障。 這不太可能。
注: 以下測試程序可能會生成其他診斷代碼。請忽略所產生的診斷代碼,在排除原有診斷代碼后清除即可。 執行此步驟序之前,請確保診斷代碼 CID 0096 FMI 04 為激活狀態。
注: 使用 146-4080 數字萬用表進行本程序中的測量。
測試步驟 1. 檢查傳感器
將斷路開關和鑰匙起動開關轉到 ON 位置。
確保該診斷代碼處于激活狀態。
觀測診斷代碼的狀態。 從機器線束上斷開傳感器。
預期結果:
CID 0096 FMI 04 保持現行狀態。 FMI 不變,并且 "04" 仍為激活狀態。
結果:
正常 - 該診斷代碼仍處于激活狀態。 傳感器正常。繼續測試步驟 2。
不正常 - 該診斷代碼不再為現行狀態。 傳感器出故障。
修復: 更換傳感器。
停止
測試步驟 2. 檢查傳感器導線線束是否對接地短路。
將鑰匙起動開關和斷路開關轉到 OFF 位置。
從傳感器上斷開機器線束。
從卡特彼勒365C和385C挖掘機監視器上斷開機器線束接頭。
在卡特彼勒365C和385C挖掘機監視器的機器線束接頭上,測量機器線束的信號觸點 1(導線 495-RD)與所有可能的接地源之間的電阻。 測量對監視器的機器線束接頭所有觸點的電阻。
預期結果:
各電阻測量值都大于 5000 歐姆。
結果:
正常 - 各電阻測量值都大于 5000 歐姆。 機器線束正常。 繼續測試步驟 3。
不正常 - 一個或多個電阻測量值不正確。 機器線束中存在短路。
修復: 信號觸點 1(導線 495-RD)與電阻測量值低的電路之間存在短路。 修理或更換機器線束。
停止
測試步驟 3. 檢查是否仍存在該診斷代碼。
檢查并清潔線束接頭的觸點。
重新連接所有線束接頭。
將斷路開關和鑰匙起動開關轉到 ON 位置。
運轉機器。
檢查 CID 0096 FMI 04 的狀態。
預期結果:
CID 0096 FMI 04 處于現行狀態。
結果:
是 - CID 0096 FMI 04 處于現行狀態。 沒有糾正該診斷代碼。 ECM 可能出現故障。
修復: ECM 不太可能會出現故障。 先退出此步驟,然后重新執行此步驟。 如果沒有找到該診斷代碼的原因,則應更換 ECM。 請參閱 測試和調整, "電子控制模塊 (ECM) - 更換"。
停止
否 - CID 0096 FMI 04 為未激活狀態。 此時不存在該診斷代碼。
修復: 原有診斷代碼可能是某個斷開以及重新連接的線束接頭上存在接觸不良或短路引起的。恢復機器的正常運轉。
帕金斯發動機曲軸前油封,帕金斯原裝傳感器,帕金斯發電機的配件 ,帕金斯發電機的配件 供應商,珀金斯1106水溫表