卡特CAT C11與C13發動機故障診斷代碼的原因與維修技術
故障診斷代碼
故障診斷代碼提示駕駛員已檢測到電氣系統故障。故障診斷代碼也可向維修技師指示故障的性質。 卡特彼勒電子技師 (ET) 是一個設計在個人電腦上運行的軟件程序。可以在安裝卡特彼勒 ET 軟件的個人電腦上查看故障診斷代碼。 故障診斷代碼由部件標識符 (CID) 和故障模式標識符 (FMI)。
部件標識符 (CID) - CID 是一個 3 位或 4 位的數字。 CID 指示產生代碼的部件。例如,CID 0001 是指 1 號氣缸噴油器。
故障模式標識符 (FMI) - FMI 是 2 位數字代碼,用于指示故障類型。
不要將故障診斷代碼和事件代碼相混淆。事件代碼提示駕駛員異常發動機運轉狀況,如檢測到機油壓力低或冷卻液溫度高。 請參考故障診斷與排除, "利用事件代碼進行故障診斷與排除",了解事件代碼的更多信息。
窗體底端
窗體底端
|
典型模擬溫度傳感器的輸出電壓 |
圖1指示典型模擬傳感器的信號范圍。 如果此傳感器輸出信號低于 0.2 VDC 或高于 4.8 VDC,則會設置故障診斷代碼。
現行故障診斷代碼
現行故障診斷代碼表示電子控制系統有故障。 應盡快排除故障。
電子控制模塊 (ECM) 設置現行故障診斷代碼后,即啟動"現行代碼警報"指示燈(卡特彼勒 ET 的"發動機控制警報狀態")以提示駕駛員。如果產生故障診斷代碼的狀態是瞬時的,則此信息會在現行故障診斷代碼列表中消失。 此故障診斷代碼設為記錄狀態。
記錄的故障診斷代碼
ECM 生成一個故障診斷代碼后會在永久存儲器中記錄此代碼。 ECM 內部有一個診斷時鐘。 設置代碼時,各 ECM 都會記錄以下信息:
首次出現此代碼的時間 最后一次出現此代碼的時間 出現此代碼的次數進行間歇性故障的診斷與排除時,這個信息的指示非常重要。
當發生下列狀況之一時,會從存儲器中清除代碼:
維修技師手動清除此代碼。 100 工作小時內此代碼不重現。 記錄了一個新代碼且存儲器中已有十個代碼。 在這種情況下,會清除最早的代碼。有些故障診斷代碼可能容易觸發。 有些故障診斷代碼可能記錄過,但卻沒有導致故障。 間歇性故障的最可能的原因是導線連接出故障和導線損壞。再有可能就是零部件故障。 可能性最小的原因是電子模塊故障。 多次記錄的故障診斷代碼可能說明需要進行特別的調查。
注: 調查并排除導致故障診斷代碼產生的故障之后,一定要清除此記錄的代碼。
CID 0001 FMI 05 1 號氣缸噴油器開路
SMCS — 1290-038
窗體頂端
產生此代碼的情況:
電子控制模塊 (ECM) 正嘗試操作噴油器。 ECM 檢測到噴油器電路開路。
系統響應:
ECM 將會記錄此故障診斷代碼。 ECM 在記錄此代碼后還會繼續嘗試操作噴油器。
發動機缺火 功率低測試步驟 1. 進行以下的診斷步驟: 噴油器電磁閥電路 - 測試
結果:
正常 - 停止卡特CAT C11與C13發動機窗體底端
窗體底端
CID 0001 FMI 06 1 號氣缸噴油器短路
窗體頂端
產生此代碼的情況:
電子控制模塊 (ECM) 正嘗試操作噴油器。 ECM 檢測到噴油器電路短路。
系統響應:
ECM 將會記錄此故障診斷代碼。 ECM 在記錄此代碼后還會繼續嘗試操作噴油器。
發動機缺火 功率低測試步驟 1. 進行以下的診斷步驟: 噴油器電磁閥電路 - 測試
結果:
正常 - 停止窗體底端
CID 0002 FMI 05 2 號氣缸噴油器開路
SMCS — 1290-038
窗體頂端
產生此代碼的情況:
電子控制模塊 (ECM) 正嘗試操作噴油器。 ECM 檢測到噴油器電路開路。
系統響應:
ECM 將會記錄此故障診斷代碼。 ECM 在記錄此代碼后還會繼續嘗試操作噴油器。
發動機缺火 功率低測試步驟 1. 進行以下的診斷步驟: 噴油器電磁閥電路 - 測試
結果:
正常 - 停止窗體底端
CID 0002 FMI 06 2 號氣缸噴油器短路
窗體頂端
產生此代碼的情況:
電子控制模塊 (ECM) 正嘗試操作噴油器。 ECM 檢測到噴油器電路短路。
系統響應:
ECM 將會記錄此故障診斷代碼。 ECM 在記錄此代碼后還會繼續嘗試操作噴油器。
發動機缺火 功率低測試步驟 1. 進行以下的診斷步驟: 噴油器電磁閥電路 - 測試
結果:
正常 - 停止窗體底端
CID 0003 FMI 06 3 號氣缸噴油器短路
窗體頂端
產生此代碼的情況:
電子控制模塊 (ECM) 正嘗試操作噴油器。 ECM 檢測到噴油器電路短路。
系統響應:
ECM 將會記錄此故障診斷代碼。 ECM 在記錄此代碼后還會繼續嘗試操作噴油器。
發動機缺火 功率低測試步驟 1. 進行以下的診斷步驟: 噴油器電磁閥電路 - 測試
結果:
正常 - 停止窗體底端
CID 0004 FMI 05 4 號氣缸噴油器開路
窗體頂端
產生此代碼的情況:
電子控制模塊 (ECM) 正嘗試操作噴油器。 ECM 檢測到噴油器電路開路。
系統響應:
ECM 將會記錄此故障診斷代碼。 ECM 在記錄此代碼后還會繼續嘗試操作噴油器。
發動機缺火 功率低測試步驟 1. 進行以下的診斷步驟: 噴油器電磁閥電路 - 測試
結果:
正常 - 停止窗體底端
CID 0004 FMI 06 4 號氣缸噴油器短路
窗體頂端
產生此代碼的情況:
電子控制模塊 (ECM) 正嘗試操作噴油器。 確保渦輪增壓器修理情況良好。
系統響應:
ECM 將會記錄此故障診斷代碼。 ECM 在記錄此代碼后還會繼續嘗試操作噴油器。
檢查排氣系統有無阻塞。 功率低測試步驟 1. 進行以下的診斷步驟: 噴油器電磁閥電路 - 測試
結果:
正常 - 停止窗體底端
CID 0005 FMI 05 5 號氣缸噴油器開路
窗體頂端
產生此代碼的情況:
電子控制模塊 (ECM) 正嘗試操作噴油器。 ECM 檢測到噴油器電路開路。
系統響應:
ECM 將會記錄此故障診斷代碼。 ECM 在記錄此代碼后還會繼續嘗試操作噴油器。
發動機缺火 功率低測試步驟 1. 進行以下的診斷步驟: 噴油器電磁閥電路 - 測試
結果:
正常 - 停止窗體底端
CID 0005 FMI 06 5 號氣缸噴油器短路
窗體頂端
產生此代碼的情況:
電子控制模塊 (ECM) 正嘗試操作噴油器。 ECM 檢測到噴油器電路短路。
系統響應:
ECM 將會記錄此故障診斷代碼。 ECM 在記錄此代碼后還會繼續嘗試操作噴油器。
發動機缺火 功率低測試步驟 1. 進行以下的診斷步驟: 噴油器電磁閥電路 - 測試
結果:
正常 - 停止窗體底端
CID 0006 FMI 05 6 號氣缸噴油器開路
窗體頂端
產生此代碼的情況:
電子控制模塊 (ECM) 正嘗試操作噴油器。 ECM 檢測到噴油器電路開路。
系統響應:
ECM 將會記錄此故障診斷代碼。 ECM 在記錄此代碼后還會繼續嘗試操作噴油器。
發動機缺火 功率低測試步驟 1. 進行以下的診斷步驟: 噴油器電磁閥電路 - 測試
結果:
正常 - 停止窗體底端
CID 0091 FMI 08 油門位置信號不正常
窗體頂端
產生此代碼的情況:
電子控制模塊 (ECM) 檢測到不在控制裝置工作范圍內的油門位置信號。
系統響應:
ECM 會記錄該診斷代碼。 ECM 將油門位置標記為無效數據。 最后一次有效的發動機轉速將保留為理想發動機轉速,直到出現以下一種情況:
ECM 從油門備用開關接收相應于不同發動機轉速的輸入。 來自油門開關的信號變為有效并持續有效。油門備用開關必須用于設置發動機轉速。
測試步驟 1. 進行以下的診斷步驟: 油門開關電路 - 測試
結果:
與預期結果相符 - 停止窗體底端
診斷功能測試
5 伏發動機壓力傳感器電源電路 - 測試
窗體頂端
系統運作描述:
應在下列診斷代碼之一為活動診斷代碼或極易反復出現時,使用本程序對系統進行故障診斷與排除。
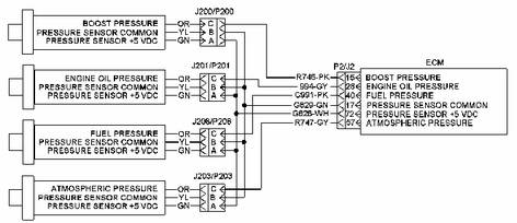
262-03 5 伏傳感器直流供電與蓄電池正極電路短接 262-04 5 伏傳感器直流供電與接地短路ECM(電子控制模塊,Electronic Control Module)向下列傳感器提供 5.0 ± 0.2 VDC 的調節電壓:
增壓壓力傳感器 發動機機油壓力傳感器 燃油壓力傳感器 大氣壓力傳感器+5 V 發動機壓力傳感器電源由 ECM 連接到各個壓力傳感器接頭的接線端 A。 來自 ECM 接頭的傳感器公用線接至每個傳感器接頭的端子 B 上。 傳感器電源受輸出短路保護。蓄電池短路不會對 ECM 內部電路造成損壞。
注: 傳感器不受過壓保護。 電源導線對蓄電池正極短路可能會損壞傳感器。如果記錄 CID-FMI 262-03,則可能所有傳感器都已損壞。 修理傳感器電源,檢查有無"激活"的傳感器診斷代碼,從而確定傳感器是否出故障。
+5 伏診斷代碼很可能是由于線束中對地或對其他電源短路造成的。
窗體底端



P2 ECM 接頭
(P2-15) 增壓壓力傳感器
(P2-17) 傳感器共用接頭
(P2-28) 發動機機油壓力傳感器
(P2-40) 燃油壓力傳感器
(P2-57) 大氣壓力傳感器
(P2-72) +5 V 電源

C13 傳感器位置
(1) 大氣壓力傳感器
(2) 燃油壓力傳感器
(3) 發動機機油壓力傳感器
(4) 增壓壓力傳感器

C15 和 C18 傳感器位置
(5) 增壓壓力傳感器
(6) 燃油壓力傳感器
(7) 大氣壓力傳感器
(8) 發動機機油壓力傳感器

測試步驟 1. 檢查電氣接頭和配線
切斷至 ECM 的電源。 仔細檢查 J1/P1 ECM 接頭和 J2/P2 ECM 接頭。 檢查與電路有關的所有接頭。有關詳細資料,請參閱故障診斷與排除, "電氣接頭 - 檢查"。
對 ECM 接頭上與該電路有關的每一根導線進行拉力為 45 N (10 lb) 的拉拔測試。 檢查 ECM 接頭(六角頭固定螺釘)的扭矩是否正確。 有關詳細資料,請參閱故障診斷與排除, "電氣接頭 - 檢查"。 檢查自傳感器回接至 ECM 的線束和配線有無磨損和擠壓的地方。預期結果:
所有接頭、觸針和插孔之間應徹底聯接和/或完全插接,線束和線路沒有腐蝕、磨損或擠壓的地方。
結果:
正常 - 線束和接頭看來沒有問題。 繼續測試步驟 2。 異常 - 接頭和/或配線有問題。修復: 修理和/或更換接頭或配線。 確保所有密封正確就位,接頭徹底聯接。確認修理已排除故障。
停止
測試步驟 2. 檢查有無激活的診斷代碼
將 Caterpillar 電子技師(ET)連接到維修工具接頭上。 恢復 ECM 的電源。 監控 Cat ET 的激活的診斷代碼屏幕。 檢查和記錄所有激活的診斷代碼。 查找有無下列診斷代碼: 262-3 262-4注: 至少應等待 30 秒鐘,以便使診斷代碼變為激活狀態。
預期結果:
無激活的診斷代碼。
結果:
正常 - 無激活的診斷代碼。修復: 故障不再存在。 如果存在間歇性故障的話,請參閱故障診斷與排除, "電氣接頭 - 檢查"。
停止
異常 - 此時 262-3 或 262-4 診斷代碼為激活狀態。 繼續測試步驟 3。測試步驟 3. 監視現行診斷代碼的同時,斷開 5 伏傳感器
在傳感器接頭處斷開各個 5 伏傳感器,同時監控 Cat ET 的激活診斷代碼屏幕。 檢查有無激活的 262-3 代碼或 262-4 代碼。注: 至少應等待 30 秒鐘,以便使診斷代碼變為激活狀態。
每次一個依次斷開下列傳感器: 增壓壓力傳感器 發動機機油壓力傳感器 燃油壓力傳感器 大氣壓力傳感器 斷開 ECM 的電源。預期結果:
當斷開特定傳感器時,診斷代碼消失。
結果:
正常 - 斷開特定傳感器后 262-3 或 262-4 診斷代碼解除。修復: 連接可疑傳感器。 如果代碼重新出現,更換傳感器。 連接所有接頭。 確認故障已排除。
停止
異常 - 斷開所有傳感器后 262-3 或 262-4 診斷代碼仍保持激活狀態。 讓所有傳感器保持斷開狀態。 傳感器不是引起該診斷代碼的原因。 繼續測試步驟 4。測試步驟 4. 檢查 ECM 的 5 伏電源電壓
斷開 ECM 接頭 J2/P2。 制作兩根足夠長的跨接導線,用來測量 ECM 接頭處的電源電壓。 在每根跨接導線的一端壓接接頭插孔。 斷開端子位置 P2-72(5 V 傳感器電源)和 P2-17(傳感器回路)的導線。 在這些端子位置中都插接一根跨接導線。 連接 J2/P2 ECM 接頭。 恢復發動機 ECM 的供電電源。 測量 P2-72(5 V 傳感器電源)中的跨接導線與 P2-17(傳感器回路)中的跨接導線之間的電壓。 斷開 ECM 的電源。預期結果:
電壓測量值為 5.0 ± 0.2 VDC。
結果:
正常 - 電壓測量值為 5.0 ± 0.2 VDC。 ECM 工作正常。修復: 電源導線對線束中的另一根導線短路或電源導線對發動機接地短路。 修理電源導線。
停止
異常 - 電壓測量值不為 5.0 ± 0.2 VDC。修復: 更換 ECM。 請參閱故障診斷與排除, "更換 ECM"。
停止
挖掘機大宇維修,三一重工壓路機維修電話,壓路機維修,徐工220壓路機變速箱維修,玉柴挖掘機維俢電話,浙江挖掘機維修公司