卡特CAT C11與C13發動機供電電路 - 測試的故障原因與維修技術
系統運作描述:
使用本步驟,進行由電子控制模塊(ECM)提供電源的任何懷疑故障的診斷與排除。
本步驟涉及以下故障診斷代碼:
168-00 "系統電壓過高" 168-01 "系統電壓過低" 168-02 "系統電壓間斷 / 不穩"如果發動機間歇性停機,或者發動機起動困難伴隨著電氣配件斷電,請進行此測試。如果發動機停機伴隨著其它電氣配件斷電,則表明鑰匙開關有問題。 這并不表示機器 ECM 的線束有故障。 進行此測試之前,確認起動系統或充電系統沒有故障。
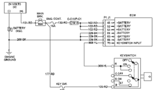
ECM 通過 ECM 的 15 安培保險絲持續接收蓄電池電壓。 無開關蓄電池電壓通過 P1-48 、P1-52 和 P1-53 供至 ECM。 蓄電池負極通過 P1-61、P1-63 和 P1-65 供至 ECM。
當鑰匙開關處于接通位置或起動位置時,ECM 通過 P1-70 接收鑰匙開關的輸入。 當 ECM 檢測到此輸入處有蓄電池電壓時,ECM 就會通電啟動。 當斷開此輸入的蓄電池電壓時,ECM 就會斷電停機。
發動機 ECM 要求鑰匙開關處于接通位置,以便與 Caterpillar 電子技師(ET)保持通信。
窗體底端


|
P1 ECM 接頭 (P1-48) 蓄電池正極 (P1-52) 蓄電池正極 (P1-53) 蓄電池正極 (P1-61) 蓄電池負極 (P1-63) 蓄電池負極 (P1-65) 蓄電池負極 (P1-70) 鑰匙開關 |
測試步驟 1. 檢查電氣接頭和配線
切斷至 ECM 的電源。 徹底檢查 ECM 接頭 J1/P1 和 J2/P2。 請參閱故障診斷與排除, "電氣接頭 - 檢查"中的診斷功能測試。 對 ECM 接頭上與其電路有關的每一根導線進行拉力為 45 N (10 lb) 拉拔測試。 檢查 ECM 接頭(六角頭固定螺釘)的扭矩是否正確。 有關詳細資料,請參閱故障診斷與排除, "電氣接頭 - 檢查"。 檢查線束和配線有無磨損和擠壓的地方。預期結果:
所有接頭、針腳和插孔都應完全插接和聯接。 線束和配線應無腐蝕、磨損和擠壓的地方。 所有接頭和接地都緊固、沒有腐蝕。
結果:
正常 - 線束和配線沒有問題。 繼續測試步驟 2。 異常 - 接頭和/或配線有問題。修復: 修理和/或更換接頭或配線。 確保所有密封正確就位,接頭徹底聯接。確認修理已排除故障。
停止
測試步驟 2. 檢查 ECM 的蓄電池電壓。
斷開 ECM 接頭 J1/P1。 接通至 ECM 的電源。 把鑰匙開關轉到接通位置。 測量 P1-48(無開關蓄電池正極)和 P1-61(蓄電池負極)之間的電壓。 測量 P1-52(無開關蓄電池正極)和 P1-63(蓄電池負極)之間的電壓。 測量 P1-53(無開關蓄電池正極)和 P1-65(蓄電池負極)之間的電壓。 測量 P1-70(鑰匙開關)和 P1-63(蓄電池負極)之間的電壓。 把鑰匙開關轉到斷開位置。 切斷至 ECM 的電源。預期結果:
電壓測量為 24±3.0VDC。
結果:
正常 - ECM 接收到正確電壓。修復: 如果懷疑有間歇性情況出現的話,請參閱故障診斷與排除, "電氣接頭 - 檢查"。
停止
異常 - ECM 的電壓值不正確。 繼續測試步驟 3。 不正常 - 鑰匙開關 - 鑰匙開關至 ECM 的輸入電壓不正確。 繼續測試步驟 4。測試步驟 3. 檢查蓄電池
在蓄電池接線柱處測量蓄電池的無負荷電壓。 進行蓄電池負荷測試。 使用 4C-4911 蓄電池負荷測試儀 。 請參閱專門說明書, SEHS9249, "針對 6、8 和 12 伏鉛酸蓄電池的 4C-4911 蓄電池負荷測試儀的使用"和專門說明書, SEHS7633, "蓄電池測試步驟"。預期結果:
蓄電池通過負載測試。 測量電壓為 12V 或 24V 系統的最低技術規格。
結果:
正常 - 蓄電池正常。修復: 確認主斷路器沒有跳閘。 核實發動機控制的保險絲沒有熔斷。 修理蓄電池和 ECM 接頭 P1 之間的配線。
停止
異常 - 蓄電池電壓偏低或蓄電池沒有通過負荷測試。修復: 對有故障的蓄電池重新充電或予以更換。 確認修理已排除故障。
停止
測試步驟 4. 檢查鑰匙開關的電壓
將鑰匙開關接線端 R 的導線拆下來。 接通至 ECM 的電源。 把鑰匙開關轉到接通位置。 測量鑰匙開關接線端 B 與發動機接地之間的電壓。 測量鑰匙開關接線端 R 與發動機接地之間的電壓。 把鑰匙開關轉到斷開位置。 切斷至 ECM 的電源。 恢復所有導線的原有配置。預期結果:
在鑰匙開關的接線端 B 和接線端 R 上存在電壓。
結果:
正常 - 在鑰匙開關的接線端 B 和接線端 R 上存在電壓。修復: 修理鑰匙開關和 ECM 接頭 P1-70 之間的導線 307-YL。
停止
異常 - 在鑰匙開關的接線端 B 上不存在電壓。修復: 如果在接線端 B 上不存在電壓,修理蓄電池正極與鑰匙開關之間的導線。核實鑰匙開關的保險絲沒有熔斷。 確認主斷路器沒有跳閘。 確認故障已排除。
停止
異常 - 在鑰匙開關的接線端 R 上不存在電壓。修復: 如果在鑰匙開關的接線端 B 上存在電壓,但在接線端 R 上不存在電壓,則應更換鑰匙開關。 將所有線路恢復原來的配置。 確認故障已排除。
停止
慈溪市有哪些挖掘機修理廠,懷化神鋼挖機維修服務,桃源縣修壓路機,小松挖機公司維修部,修山推推土機,小松200挖機維修