機油濾清器
John Deere約翰迪爾強鹿柴油發動機機油濾清器配件銷售維修維護技術零件資料手冊

KEY PART NO. PART NAME QTY SERIAL NO. H H REMARKS
1 .................. FITTING NA X X M16 X 1.5
2 .................. O-RING NA X X
3 RE59906 FILTER HEAD 1 X X (MARKED R134570)
4 R123591 THREADED NIPPLE 1 X X
5 RE59754 OIL FILTER 1 X X
6 19M7835 SCREW 2 X X M10 X 35, (10.9)
7 R114358 SPACER 1 X X 12 X 25.400 X 12.700 MM
8 RE46687 FITTING 2 X X M22 X 1.5
9 51M7045 O-RING 1 X X 19.300 X 2.200 MM

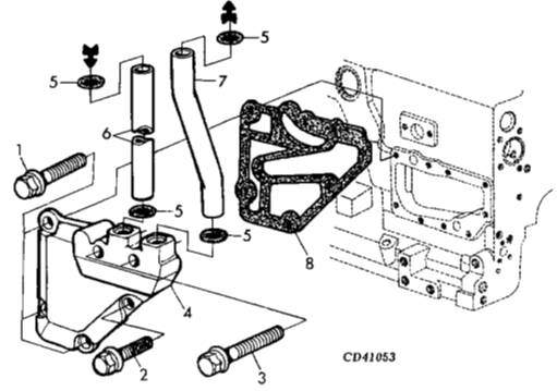
KEY PART NO. PART NAME QTY SERIAL NO. H H REMARKS
1 19M7802 SCREW 3 X X M8 X 65, (10.9)
2 RE67238 SCREW 1 X X THREADS SEALANT COATED
3 19M7913 SCREW 2 X X M8 X 90, (10.9)
4 R135916 ADAPTER 1 X X
5 R72328 O-RING 4 X X
6 R135270 TUBE 1 X X
7 R135271 TUBE 1 X X
8 R123504 GASKET 1 X X