約翰迪爾6081發動機大修后的裝配順序零配件價格目錄發動機磨合指南

大修后的約翰迪爾6081發動機裝配順序
1.將拆下的所有螺塞安裝到缸體中到服務塊。安裝約翰迪爾6081發動機序列號銘牌。
2.安裝活塞冷卻孔。
3.安裝不帶O形圈的缸套并測量班輪脫穎而出。將缸套O形圈安裝到缸體中,然后擰緊
4.安裝主軸承和曲軸。旋轉確保曲軸裝配正確。檢查

5.安裝約翰迪爾6081發動機飛輪和殼體(如適用):
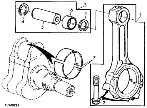
6.安裝活塞和桿組件。螺栓襯套向下
7.安裝曲軸后油封殼并檢查
8.將凸輪從動件安裝在原來的孔中已拆下。

9.安裝凸輪軸。對齊正時標記(凸輪軸至曲軸齒輪),1號活塞位于
10.安裝約翰迪爾6081發動機機油泵總成。
11.安裝高壓共軌。
12.安裝噴油泵和驅動齒輪。序列號(200000-)
13.安裝約翰迪爾6081發動機機油冷卻器總成。
14.安裝燃油濾清器底座、供油管和濾清器。
15.安裝機油濾清器底座、閥殼和新機油濾清器。
16.將氣缸蓋、推桿、搖臂填料安裝到缸套上。安裝襯套。組件、電子噴油器和燃油泵

17.安裝托架、搖臂蓋和呼吸器軟管
18.安裝進氣歧管。
19.安裝前后排氣歧管。
注意:在旋轉前,務必將襯套螺栓擰緊拆下缸蓋的約翰迪爾6081發動機。
20.安裝正時齒輪蓋。安裝前曲軸耐磨套筒和油封。
如果要安裝新的活塞/缸套套件,請將套件組裝到
使用新的卡扣連接相應的連桿
21.安裝冷卻液泵總成和冷卻液環。安裝每個套件時,螺栓襯套向下。歧管。
22.安裝渦輪增壓器。安裝渦輪增壓器進油口管路和回油管。
•SAE 3:飛輪在外殼之前啟動。
•SAE 1和SAE 2:安裝前先安裝外殼
23.安裝燃油泄漏管路和高壓燃油飛輪。送貨線。

24.安裝每個活塞總成后,安裝前皮帶輪和新減振器作為一個整體。總成。
25.安裝風扇皮帶輪總成。安裝起動機電機。跳動。安裝后油封和耐磨套筒。
26.向約翰迪爾6081發動機加注清潔的機油。安裝油尺。28.執行約翰迪爾6081發動機磨合和正常標準性能檢查。請參閱本組后面的約翰迪爾6081發動機磨合指南。
約翰迪爾6081發動機磨合指南
約翰迪爾6081發動機磨合應在大修后或進行以下修理時進行:
主軸承、連桿軸承、曲軸或這些零件的任何組合已被更換。活塞、環或襯套已更換。
后曲軸油封和耐磨套筒已更換。(主要目的是查看油封是否仍然泄漏)。
氣缸蓋已拆下。(檢查并重置閥門間隙。)
噴油泵在約翰迪爾6081發動機上時已拆下或進行了關鍵調整。(主要目的是檢查電源)。