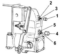
VOLVO沃爾沃柴油機的維修保養基本知識 安全注意事項 VOLVO沃爾沃柴油發動機每日檢查項目 養成在起動發動機之前和停機后直觀檢查發動機的習慣。這有助于你及時發現燃油、潤滑油或冷卻液的泄漏和其它一些已經發生或將要發生的異常情況。 VOLVO沃爾沃柴油發動機一般的常規保養 a) 檢查/更換空氣濾清器 發動機停機后,空氣阻塞指示器如仍滯留紅標時,則應更換空氣濾清器。更換后應按壓阻塞指示器上的按鈕使其指示復位。 注意!空氣阻塞指示器未顯示紅標時,需更換空氣濾清器。被更換的空氣濾清器不能清洗和回用。 重要事項!連續運行時,應該每8小時檢查一次空氣濾清器。 b) 檢查VOLVO沃爾沃柴油發動機進氣管路有無泄漏 檢查進氣管路有無裂縫或其它損壞。如有必要應予更換。檢查所有的軟管夾箍。 c) 調整VOLVO沃爾沃柴油發動機怠速 首先檢查空氣濾清器是否堵塞。檢查當油門機構處于怠速位置時,噴油泵上的油門拉桿(1)是否靠在怠速限位螺釘(2)上。還要檢查當油門控制桿在最大油量位置時,油門拉桿是否壓在最大供油限位螺釘(3)上。如有必要,則進行調整。 警告提示!靠近正在運行的發動機或在其上工作是有危險的。要小那些正在旋轉的零部件和高溫表面。 d) VOLVO沃爾沃柴油發動機RSV調速器 1) 讓發動機在怠速下運行。 2) 如有必要,卸下園項螺帽(1),擰松鎖緊螺母(2),用螺釘(3)調整發動機怠速。 如果發動機空轉轉速不穩,應該按下述方法調整其穩定性。 1) 拆下園頂螺帽(4)并擰松鎖緊螺母(5)。小心地按順時針方向擰動怠速穩定螺(6),直到發動機轉速穩定為止。 2) 檢查最高空轉轉速有否改變,如有改變,則說明怠速穩定螺釘(6)調整過大。 3) 完成調整后,鎖緊怠速穩定螺釘(6),擰上園頂螺帽(4) e) VOLVO沃爾沃柴油發動機RQV,RQ調速器 1) 讓發動機在怠速下運行。 2) 如有必要,用怠速螺釘(1)調整發動機的轉速。 f) 檢查和調整VOLVO沃爾沃柴油發動機傳動皮帶 傳動皮帶的檢查和調整應該在發動機運行后皮帶熱態時進行。 在張緊充電發電機皮帶之前,應先擰松螺栓(A),使皮帶在兩皮帶輪的中點處可被壓下10mm,然后再擰緊螺栓(A)。成對工作的皮帶磨損后應同時更換。 風扇皮帶有自動張緊器,不需要調整。但是必須檢查皮帶的狀況。如有必要,予以更換。 VOLVO沃爾沃柴油發動機潤滑系統 潤滑油的更換周期取決于潤滑油的品質和燃油的硫含量,在40到500小時之間不等。要注意潤滑油的更換周期決不可超過12個月。 如果要求潤滑油的更換周期比下表所列時間更長,則潤滑油的性狀必須由潤滑油制造廠商作定期檢測。 VOLVO沃爾沃柴油發動機潤滑油 注意!只要能滿足上述要求,礦基的、半合成和全合成潤滑油都可以使用。 1)必須使用TBN14-20潤滑油 VDS=Volvo發動機潤滑油規格 ACEA=歐洲汽車制造商協會 API=美國石油學會 VOLVO沃爾沃柴油發動機機油粘度 應根據穩定的外界溫度,按此圖表選擇粘度合適的潤滑油。*指合成或半合成潤滑油。 檢查潤滑油油位 確保油位在MIN(最低)和MAX(最高)標記之間。 重要事項!連續運行時應每隔8小時檢查一次油位。 檢查靜態未運轉發動機的油位時,應查看油標尺上標有“STOP”(停機)的那一面(至少等發動機停止運行3分鐘后)。 警告提示!靠近運行中的發動機或在其上工作是有危險的。要小心那些旋轉著的零部件和灼熱表面。 更換VOLVO沃爾沃柴油發動機潤滑油和潤滑油濾清器 必須遵守推薦的潤滑油更換周期,并必須同時更換潤滑油濾清器。 a) 徹底清潔濾清器安裝座,以免更換濾清器時污物進入發動機。 b) 使發動機運行至正常的工作溫度。 警告提示!高溫潤滑油和灼熱表面會造成燙傷。 c) 拆下底部螺塞,放盡潤滑油。 d) 換用新墊片后裝上底部螺塞。 e) 拆下濾情器 (1)和旁通濾情器(2)。檢查并確保發動機的接合面上無殘留墊片。給新的濾清器加注潤滑油,并在新墊片上薄施一層潤滑油。用手擰緊濾清器直到壓住墊片,然后再擰緊半圈(不要擰得過緊!)。 f) 加注潤滑油至正確油位。不得超過MAX(最高)油位。 g) 起動發動機,使其怠速運行。檢查潤滑油油壓是否正常。 h) 關停發動機。檢查濾清器周圍有無潤滑油泄漏。如有必要,添加潤滑油。 將用過的潤滑油及其濾清器按照環保要求處理。 VOLVO沃爾沃柴油發動機冷卻系統 冷卻系統應該使用能夠保護發動機內部免受腐蝕和凍結(如果氣候條件有此要求)的冷卻液。切勿只用普通水作冷卻液。 防腐添加劑的效能會隨時間而下降,因此必須定期更換冷卻液。若能遵循富豪遍達有關冷卻液的各項建議,則可以采用下列更換周期。 重要事項!更換冷卻液時,必須先徹底沖洗冷卻系統,見“沖洗冷卻系統”。更換冷卻液時,毋須同時更換冷卻液濾清器(附件)。但在首次更換冷卻液的6個月后必須更換冷卻液濾清器,此后可每6個月更換一次,見“更換冷卻液濾清器”。 VOLVO沃爾沃柴油發動機冷卻液 重要事項!為了避免發動機和冷卻系統因凍結或腐蝕而造成阻塞或損壞,必須遵守下列建議: 水質 切記必須使用符合ASTMD4985要求的凈水。如果不符合其要求,冷卻系統就有可能阻塞,從而降低冷卻效率。如果水的凈度不符合要求,則必須使用蒸餾水或已配制好的冷卻液。 總顆粒物 <340 ppm 總硬度 <9.5°dH 氯化物 <40 ppm 硫酸鹽 <100 ppm PH值 5.5-9 硅 < 20mg SiO2 perI 鐵 <0.10 ppm 錳 <0.05 ppm 導電率 < 500 uS per cm 有機物含量,CODMn <15 mg kMnO4 perI 檢查并添加冷卻液 警告提示!除遇緊急情況外,當發動機還在高溫時,不要打開冷卻液加液口蓋。蒸汽或高溫冷卻液會噴射出來。 每天起動前應檢查冷卻液液位。必要時添加。冷卻液液面應低于加液口密封面5 cm。裝有單獨的膨脹水箱時,則加注到MIN(最低)和MAX(最高)標記之間。 重要事項!添加的冷卻液應和冷卻系統內原有的冷卻液相同。 給已放空的冷卻系統灌充冷卻液 先檢查并確保所有的放水閥均已關閉。 放水閥和放氣閥的位置見下再示意圖 灌充冷卻液時,必須關停發動機,然后緩慢加入,以使空氣能夠通過放氣閥和加液口排出。 如果發動機冷卻系統中裝有加熱器,則必須打開加熱器的控制閥,以使加熱器在灌充時排氣。 灌充冷卻液應達到規定的液位。在排盡冷卻系統內的空氣和完全加滿冷卻液之前,切勿起動發動機。 起動發動機并運行至節溫器開啟(這大約需要20分鐘)。發動機起動后,短暫地打開所有放氣閥,排出滯留的空氣。檢查冷卻液液位,如有必要,則添加。 放空VOLVO沃爾沃柴油發動機的冷卻液 在放出冷卻液之前,必須關停發動機并打開加液口蓋。 沖洗VOLVO沃爾沃柴油發動機冷卻系統 散熱器和冷卻液通道內的沉積物會降低發動機的冷卻效能。因此,更換冷卻液時必須沖洗冷卻系統。 a) 按前述放盡冷卻液。 b) 在開啟的加液口中插入一根軟管,用清水沖洗,直到流出的水完全潔凈時為止。 c) 關閉放水閥和放水塔塞。按照“檢查和添加冷卻液”一節中的說明加入新的冷卻液。 清洗空冷式中冷器外部(TAD增壓空氣冷卻器) 拆去散熱器的護罩,用清水和中性洗滌劑清洗冷卻器。可用軟毛刷刷洗,小心不要損壞散熱器片。重新裝好各零部件。 重要事項!不可用高壓水槍沖洗。 更換冷卻液濾清器 它具有過濾冷卻液和防腐保護作用。 重要事項!為防止過強的防腐保護而導致淤塞,在更換冷卻液時不應同時更換冷卻液濾清器,而應在首次更換冷卻液的6個月后更換,以后可每6個月更換一次濾清器。 關閉閥(1)。用合適的工具拆下濾清器。在密封墊上均勻涂沫少許潤滑油并用手擰上新濾清器。當密封墊開始被壓緊時,再擰緊 1/2圈。打開閥( 1)。 VOLVO沃爾沃柴油發動機燃油噴射系統 只能使用符合下列標準所推薦的品質的燃油。加油時和對燃油噴射系統進行工作時,務必始終保持其高度的清潔。 所有涉及發動機噴油泵或噴油器的工作,都必須由經過授權的維修廠進行。如果噴油泵上的鉛封已被打開,則所有的擔保均即無效。 警告提示!注意防火。必須要在發動機冷卻后,才能對其燃油系統進行工作。燃油濺到灼熱的表面或電路器件上可能引發火災。存放吸有燃油的擦布要注意安全防火。 更換VOLVO沃爾沃柴油發動機燃油濾清器 保持清潔!不得讓任何塵埃或污物進入燃油系統。 警告提示!更換燃油濾清器應在冷機狀態下進行,以避免燃油濺到灼熱表面而引起著火。 拆下濾清器。在新的濾清器墊片上涂少許潤滑油。用手擰上濾清器使其壓住墊片,然后再擰緊半圈。不要擰得過緊。排出燃油系統中的空氣。將舊的濾清器按環保要求進行處理。起動發動機,檢查有無泄漏。 VOLVO沃爾沃柴油發動機燃油粗濾器,油水分離器 燃油粗濾器是選購件。將一個容器放在燃油濾清器下面,然后打開濾清器底部的閥門/旋塞放出積水和污物。 重要事項!放出濾清器中的積水要在停機數小時后進行。 VOLVO沃爾沃柴油發動機燃油系統的排氣 在更換濾清器或當油箱用空燃油再重新加油后,必須對燃油系統排氣。 裝有停機電磁閥/停機通電型斷油閥的發動機燃油系統的排氣: 確保發動機處于工作狀態。打開放氣螺釘(1),用手動輸油泵(2)泵油,直到流出的燃油中沒有空氣,并在燃油繼續流出的情況下擰緊螺釘。繼續泵油15-20次,檢查泄漏。 注意!對裝有斷油閥的發動機,噴油泵也需要經常排氣。這可由擰松噴油泵壓力均衡器(3)(用薄形27 mm開口扳手)來實現。用手動輸油泵泵油直到流出的燃油中沒有空氣時為止。 VOLVO沃爾沃柴油發動機電氣系統 警告提示!對電氣系統工作前,發動機應停機并用主開關切斷電源。所有到蓄電池充電器或到其它設備的連接都應被斷開。 VOLVO沃爾沃柴油發動機主開關 在發動機停機之前切不可斷開主開關。發動機運行時,如果切斷充電發電機和蓄電池之間的電路,就會嚴重損壞充電發電機。 重要事項!發動機運行時切不可用主開關斷開電源。 VOLVO沃爾沃柴油發動機電路連接 檢查所有的電路接頭是否干燥、有無氧化和松動。如有必要,可在這些接頭上噴以防潮劑(富豪遍達萬用油)。 連接和斷開 首先將(+)電纜(紅色)連接到蓄電池的(+)極上。然后將(-)電纜(黑色)連接到蓄電池的(-)極上。 當斷開蓄電池時,先拆下(-)電纜(黑色),然后再拆下(+)電纜(紅色)。 12.7設備停用 為防止發動機和其它設備在停用期間遭受損壞,按照正確方法無疏漏地做好封存工作是很重要的。為此我們提供一個包括所有要點的檢查清單。 在發動機長期停用之前,應該由授權的富豪遍達維修廠對其和相關設備作一次檢查,并進行必要的修理或維護保養后再封存,以便在下次起用時設備處于良好狀態。





















警告提示!除遇緊急情況外,當發動機還在高溫時,不要打開冷卻液加液口蓋。蒸汽或高溫冷卻液會噴射出來。








