(側裝式Perkins1106A/C發動機渦輪增壓器)
拆卸步驟
注意:在檢驗、保養、測試、調整及維修產品時,務必留心,確保液體盛裝在容器中。在打開任何腔室或拆解任何儲有液體的部件之前,要準備好用合適的容器收集液體。按照本地法規和指令處置所有液體。

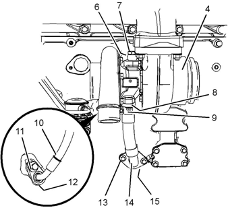
1松開軟管卡箍(2),然后將軟管組件(1)從Perkins1106A/C發動機渦輪增壓器(4)上斷開。
2松開軟管卡箍(3),然后將管組件(5)從Perkins1106A/C發動機渦輪增壓器(4)上斷開。
3如有必要,從Perkins1106A/C發動機渦輪增壓器上的廢氣旁通閥執行器上拆下軟管組件。
4將排氣管組件從Perkins1106A/C發動機渦輪增壓器上拆下,有關正確的步驟,請參閱原始設備制造商(OEM)信息。
5如有必要,拆下Perkins1106A/C發動機排氣彎頭。有關正確步驟,請參閱《Perkins1106A/C發動機拆解和組裝》,“Perkins1106A/C發動機排氣彎頭-拆卸和安裝”。

6將中空螺栓(7)從管組件(10)上拆下。拆下密封墊圈(6)(未顯示)。
7將螺栓(11)從管組件(10)上拆下。將管組件(10)從Perkins1106A/C發動機渦輪增壓器(4)和Perkins1106A/C發動機缸體上拆下。
8將O形密封圈(12)(未顯示)從管組件(10)上拆下。
9從管組件(14)拆下螺栓(9)。從管組件(14)拆下螺栓(13)。
10.將管組件(14)從Perkins1106A/C發動機渦輪增壓器(4)和Perkins1106A/C發動機缸體上拆下。
11.拆卸密封墊(8)(未顯示)和密封墊(15)(未顯示)。

12.將螺母(18)從Perkins1106A/C發動機渦輪增壓器(4)上拆下。從Perkins1106A/C發動機排氣歧管(16)上卸下Perkins1106A/C發動機渦輪增壓器(4)。
注:松開螺母時,確保Perkins1106A/C發動機渦輪增壓器的重量得到支撐。
13.如有必要,將螺柱(17)從Perkins1106A/C發動機排氣歧管(16)上拆下。
Perkins1106A/C發動機渦輪增壓器-安裝
(側裝式Perkins1106A/C發動機渦輪增壓器)

注意:保持所有零件清潔無雜質。雜質會造成快速磨損和縮短部件壽命。


1確保Perkins1106A/C發動機渦輪增壓器(4)清潔、無損壞。檢查Perkins1106A/C發動機渦輪增壓器有無磨損。更多信息請參閱《系統操作、測試和調整》,“Perkins1106A/C發動機渦輪增壓器檢查”。如果Perkins1106A/C發動機渦輪增壓器的任何零件磨損或損壞,必須更換整個Perkins1106A/C發動機渦輪增壓器。
2如有必要,測試廢氣旁通閥執行器是否正常工作。請參閱《系統操作、測試和調整》,“Perkins1106A/C發動機渦輪增壓器檢查”。如果廢氣旁通閥執行器損壞或不在規定限制范圍內工作,必須更換整個Perkins1106A/C發動機渦輪增壓器。
3清潔Perkins1106A/C發動機排氣歧管(16)的密封墊表面。如有必要,將螺柱(17)安裝到Perkins1106A/C發動機排氣歧管上。擰緊螺柱至扭矩18N·m(160lbin)。
4將Perkins1106A/C發動機渦輪增壓器(4)定位到Perkins1106A/C發動機排氣歧管(16)上。
注:確保Perkins1106A/C發動機渦輪增壓器的朝向正確。
5.安裝螺母(18)。
注:安裝螺母后,應支撐住Perkins1106A/C發動機渦輪增壓器。
6.擰緊螺母(18)至扭矩為44N·m(32lbft)。

7確保管組件(14)和(10)清潔、無損壞或堵塞。更換任何損壞的部件。
8將新密封墊(8)(未顯示)和螺栓(9)定位到管組件(14)上。
9將管組件(14)安裝到Perkins1106A/C發動機渦輪增壓器(4)上。安裝螺栓(9)并用手擰緊。
10.將新密封墊(15)(未顯示)定位在管組件(10)的法蘭和Perkins1106A/C發動機缸體之間。安裝螺栓(13)并用手擰緊。
11.擰緊螺栓(9)和螺栓(13)至扭矩為22N·m(195lbin)。
12.從進油口(19)處拆下螺塞。請參閱插圖54。用清潔的發動機機油通過進油口潤滑Perkins1106A/C發動機渦輪增壓器軸承。將壓縮機葉輪轉動幾次以便潤滑軸承。
13.使用工具(A)潤滑新的O形密封圈(12)(未顯示)。將O形密封圈(12)(未顯示)安裝到管組件(10)上。
14.將管組件(10)安裝到Perkins1106A/C發動機缸體上并在Perkins1106A/C發動機渦輪增壓器(4)上定位好。
15.安裝螺栓(11)并用手擰緊。確保管組件(10)正確安裝在Perkins1106A/C發動機缸體中。
16.將中空螺栓(7)和兩個新的密封墊圈(6)(未顯示)安裝到管組件(10)上。
17.擰緊中空螺栓(7)至扭矩為20N·m(177lbin)。
18.擰緊螺栓(11)至扭矩為22N·m(195lbin)。
19.如有必要,安裝Perkins1106A/C發動機排氣彎頭。有關正確的步驟,請參閱《Perkins1106A/C發動機拆解和組裝》,“Perkins1106A/C發動機排氣彎頭-拆卸和安裝”。
20.將排氣管組件連接到Perkins1106A/C發動機渦輪增壓器上,有關正確的步驟,請參閱原始設備制造商(OEM)信息。
21.如有必要,將軟管組件安裝到Perkins1106A/C發動機渦輪增壓器的廢氣旁通閥執行器上。
22.將管組件(5)連接到Perkins1106A/C發動機渦輪增壓器(4)。牢固地擰緊軟管卡箍(3)。
23.將軟管組件(1)連接到Perkins1106A/C發動機渦輪增壓器(4)上。牢固地擰緊軟管卡箍(2)。